Questões de Concurso
Filtrar
18.354 Questões de concurso encontradas
Página 1386 de 3.671
Questões por página:
No que se refere a instalações mecânicas, julgue o item seguinte.
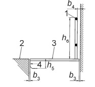
Na figura a seguir, o número 3 indica o nível do pavimento da edificação.

No que se refere a instalações mecânicas, julgue o item seguinte.
A figura a seguir representa uma plataforma de elevação vertical com caixa enclausurada.

No que se refere a instalações mecânicas, julgue o item seguinte.
A figura a seguir ilustra uma plataforma de elevação vertical com caixa não enclausurada.

A respeito do plano de prevenção e proteção contra incêndio (PPCI), julgue o item que se segue.
A área de cobertura do chuveiro automático corresponde à área de proteção alcançada por cada chuveiro automático, obtida com base na multiplicação das distâncias entre os chuveiros (ou entre chuveiro e paredes) adjacentes longitudinal e perpendicularmente escolhidos.
A respeito do plano de prevenção e proteção contra incêndio (PPCI), julgue o item que se segue.
As escadas de emergência em rota de saída, elementos-chave no PPCI, podem ser à prova de fumaça pressurizada, enclausuradas à prova de fumaça, enclausuradas protegidas ou não enclausuradas.