Questões de Concurso
Filtrar
12.761 Questões de concurso encontradas
Página 210 de 2.553
Questões por página:
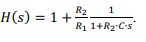
Considerando que todos os componentes usados no circuito precedente são ideais, julgue o item subsequente.
A função de transferência H(s) do circuito, no domínio s da transformada de Laplace, é 
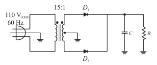
Com base nessas informações, julgue o item a seguir.
O ganho de tensão do circuito, dado por vs / ve , tem sinal negativo e módulo maior que 300.
Com base nessas informações, julgue o item a seguir.
O transistor está polarizado na região ativa.
Considerando que, em circuitos amplificadores, os transistores bipolares de junção podem ser implementados em diferentes configurações com características específicas de ganho, impedância e aplicação, julgue o item subsecutivo.
Na configuração coletor comum, o transistor usualmente apresenta ganho de tensão aproximadamente unitário e baixa impedância de saída, sendo, em diversas aplicações, adequado como estágio de adaptação de impedâncias.
Considerando que, em circuitos amplificadores, os transistores bipolares de junção podem ser implementados em diferentes configurações com características específicas de ganho, impedância e aplicação, julgue o item subsecutivo.
Na configuração base comum, o transistor apresenta, em geral, ganho de tensão maior que 1 e ganho de corrente igual ao valor do parâmetro beta do transistor, o que resulta em ganho de potência superior à unidade.

