Questões de Concurso
Filtrar
502.342 Questões de concurso encontradas
Página 106 de 100.469
Questões por página:
Questões por página:
Concurso:
SAE de Catalão - GO
Disciplina:
Engenharia Elétrica
mostrar texto associado
Assinale a alternativa verdadeira.
mostrar texto associado
Assinale a alternativa verdadeira.
mostrar texto associado
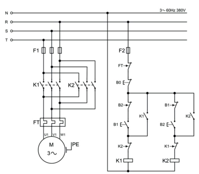
Qual é a indicação correta da fiação para o trecho marcado com X?
mostrar texto associado
Qual a diferença entre os componentes de proteção F1 e FT?
mostrar texto associado
Qual a função do terminal indicado como PE no diagrama?


